Astraada DRV-24 to seria ekonomicznych falowników ogólnego przeznaczenia, które mogą sterować pracą silników w zakresie mocy 0.4~110 kW, zarówno w trybie skalarnym, jak również bezczujnikowym wektorowym. Wyróżnikiem jest funkcja bezpieczeństwa STO.
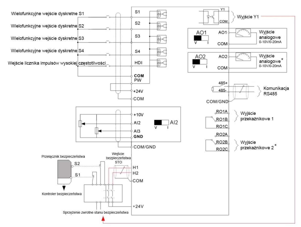
Falowniki Astraada DRV-24 posiadają wbudowane wejście bezpieczeństwa STO (Safe Torque Off), umożliwiające uruchomienie procedury bezpiecznego stopu urządzenia. Zastosowanie wejścia STO ogranicza konieczność stosowania dodatkowych elementów sterujących, a tym samym upraszcza budowę układu napędowego i zmniejsza jego koszty. Zobacz w tym filmie, jak skorzystać z wejścia STO w falownikach DRV-24.
Wbudowane wejście bezpieczeństwa STO, niewielkie gabaryty, prostota konfiguracji i ponad 30 funkcji zabezpieczeń w połączeniu z niską ceną sprawiają, że nowa seria falowników Astraada DRV-24 znajduje zastosowanie nie tylko w układach napędowych maszyn ale także w systemach HVAC, przemyśle spożywczym, rolnictwie czy w gospodarce wodno-ściekowej.
| Typ wejścia/wyjścia | Ilość | Funkcjonalność |
| Wejścia dyskretne | 4 | 1kHz, logika dodatnia/ujemna |
| Wejście HDI | 1 | 50kHz, logika dodatnia/ujemna |
| Wejścia analogowe | 2 | 1x 0~10V, 0~20mA, 1x 10~+10V |
| Wyjścia przekaźnikowe | 2 (1*) | 3A/250VAC * Dla modeli ≤ 2.2 kW |
| Wyjście tranzystorowe | 1 | 50mA/30V |
| Wyjście analogowe | 2 (1*) | 0~10V, 0-20mA * Dla modeli ≤ 2.2 kW |
| Nr katalogowy | Znamionowa moc wyjściowa (kW) | Znamionowy prąd wejściowy (A) | Znamionowy prąd wyjściowy (A) | Typ obudowy |
| 1x 230 VAC ± 10% | ||||
| AS24DRV20C4 | 0.4 | 6.5 | 2.5 | A4 |
| AS24DRV20C7 | 0.75 | 9.3 | 4.2 | A4 |
| AS24DRV21C5 | 1.5 | 15.7 | 7.5 | B4 |
| AS24DRV22C2 | 2.2 | 24 | 10 | B4 |
| 3x 400 VAC ± 10% | ||||
| AS24DRV40C7 | 0.75 | 3.4 | 2.5 | B4 |
| AS24DRV41C5 | 1.5 | 5.0 | 4.2 | B4 |
| AS24DRV42C2 | 2.2 | 5.8 | 5.5 | B4 |
| AS24DRV44C0 | 4.0 | 13.5 | 9.5 | C1 |
| AS24DRV45C5 | 5.5 | 19.5 | 14 | C1 |
| AS24DRV47C5 | 7.5 | 25 | 18.5 | D1 |
| AS24DRV4011 | 11 | 32 | 25 | D1 |
| AS24DRV4015 | 15 | 40 | 32 | D1 |
| AS24DRV4018 | 18.5 | 47 | 38 | E1 |
| AS24DRV4022 | 22 | 51 | 45 | E1 |
| AS24DRV4030 | 30 | 70 | 60 | F1 |
| AS24DRV4037 | 37 | 80 | 75 | F1 |
| AS24DRV4045 | 45 | 98 | 92 | G1 |
| AS24DRV4055 | 55 | 128 | 115 | G1 |
| AS24DRV4075 | 75 | 139 | 150 | G1 |
| AS24DRV4090 | 90 | 168 | 180 | H1 |
| AS24DRV4110 | 110 | 201 | 215 | H1 |
Wymiary

Rys. 1 Montaż ścienny – modele 0.4 … 2.2 kW

Rys.2 Montaż ścienny – modele 4~37 kW

Rys. 3 Montaż ścienny – modele 45~75 kW

Rys. 4 Montaż ścienny – modele 90~110 kW
| Moc (kW) | Typ obudowy | W1 (mm) | W2 (mm) | W3 (mm) | H1 (mm) | H2 (mm) | D1 (mm) | D2 (mm) | Otwory montażowe (mm) |
| 0.4~0.75 (1x230VAC) | A4 | 80.0 | 60.0 | - | 160.0 | 150.0 | 123.5 | 120.3 | 5 |
| 1.5~2.2 (1x230VAC) 0.75~2.2 (3x400VAC) |
B4 | 80.0 | 60.0 | - | 185.0 | 175.0 | 140.5 | 137.3 | 5 |
| 4~5.5 | C1 | 146.0 | 131.0 | - | 256.0 | 243.5 | 167.0 | 84.5 | 6 |
| 7.5~15 | D1 | 170.0 | 151.0 | - | 320.0 | 303.5 | 196.3 | 113.0 | 6 |
| 18.5~22 | E1 | 200.0 | 185.0 | - | 340.6 | 328.6 | 184.3 | 104.5 | 6 |
| 30~37 | F1 | 250.0 | 130.0 | - | 400.0 | 380.0 | 202.0 | 123.5 | 6 |
| 45~75 | G1 | 282.0 | 160.0 | 226.0 | 560.0 | 542.0 | 238.0 | 138.0 | 9 |
| 90~110 | H1 | 338.0 | 200.0 | - | 554.0 | 535.0 | 329.2 | - | 9.5 |

![]() | |||||
|---|---|---|---|---|---|
| DRV-24 | |||||
| Nazwa serii | Ekonomiczne przemienniki częstotliwości | ||||
| Parametry pracy | |||||
| Metoda sterowania |
|
||||
| Rodzaje silników | Asynchroniczne | ||||
| Zakres napięć zasilających | 230 VAC (zasilanie jednofazowe) 400 VAC (zasilanie trójfazowe) |
||||
| Zakres mocy | 0,4 ÷ 2,2 kW 1-faz 0,75 ÷ 110 kW 3-faz |
||||
| Częstotliwość wyjściowa | 0 ÷ 400 Hz | ||||
| Częstotliwość kluczowania | 1 kHz ÷ 15 kHz | ||||
| Maksymalny moment rozruchowy | 150% przy 0,25Hz (SVC) | ||||
| Prąd przeciążeniowy | 150% In przez 60s 200% In przez 1 s |
||||
| Temperatura pracy | -10°C ÷ 50°C | ||||
| Wejścia / Wyjścia (I/O) | |||||
| Wejścia dyskretne | 5 (1 HDI) | ||||
| Wyjścia dyskretne | 1 | ||||
| Wyjścia przekaźnikowe | 2 (1*) *dla modeli ≤ 2.2 kW |
||||
| Wejścia analogowe | 1 (0-10V, 0-20mA) 1 (-10V ÷ 10V) |
||||
| Wyjścia analogowe | 2 (1*) (0-10V, 0-20mA) * dla modeli ≤ 2.2 kW |
||||
| Funkcjonalność | |||||
| Funkcja bezpiecznego wyłączenia momentu (STO) | SIL2 PLd CAT.3 (dla modeli ≤ 2.2 kW) SIL3 PLd CAT.3 ( dla modeli 4~110 kW) |
||||
| Obsługiwane protokoły komunikacyjne | Modbus RTU (RS-485) | ||||
| Filtr wejściowy EMC | Opcjonalny, dopinany dla modeli ≤ 2.2 kW Wbudowany (zgodny z IEC61800-3 C3) |
||||
| Montaż „książkowy” | Tak, dla modeli ≤ 2.2 kW | ||||
| Wbudowany moduł hamujący | Tak, dla modeli ≤37 kW | ||||
| Wbudowany panel sterowania | LED | ||||
| Kopiowanie parametrów przez panel zewnętrzny | Tak | ||||
| Ważniejsze funkcje |
|
||||
Zaloguj się, by zobaczyć niższe ceny. Dla nowych kont potrzebujemy 24h na przydzielenie rabatu.
| Produkt | Cena netto | ||
|---|---|---|---|
1 280 PLN |
Zobacz w sklepie | ||
450 PLN |
Zobacz w sklepie | ||
480 PLN |
Zobacz w sklepie | ||
620 PLN |
Zobacz w sklepie | ||
680 PLN |
Zobacz w sklepie |
Zostaw wiadomość lub zadaj pytanie – odpowiemy niezwłocznie.
Napisz do nas - odpowiemy w ciągu 24h
Potrzebujesz pomocy? Skontaktuj się z nami. Odpowiemy na wszystkie Twoje pytania.
ASTOR Centrala
ul. Smoleńsk 29, 31-112 Kraków
12 428 63 00
PL
EN